MTC模块
主要用于可控整流,逆变器,电压调节,非接触开关等。它与RCV旋转控制器一起用于调节三相电速。
它广泛用于各种使用电机调速的机械设备。触发电压UG1.5~3 V控制晶闸管栅极电流IG25~50 mA绝缘电压≥2500V输出控制型相位控制相移控制角0~180°额定正向平均电流IF106A; 162A; 253A额定输入电压AC 380V 50Hz或440V 60Hz。
您可能还喜欢这些产品
电源模块为什么要选慢断保险丝快速熔断保险丝只要通过的电流超过其额定值,它就会立即熔断,这只能用于短路保护,而慢熔丝在电路中出现非故障脉冲电流时将保持完好,对长
共模电感和差模电感之间的差异什么是电感电感是闭合电路的一个属性,这意味着当通过闭合电路的电流发生变化时,出现一个电动势来抵抗电流的变化。这种类型的电感被称为自感,
- 3D建模
可以使用 CAD 软件包或使用普通数码相机和摄影测量软件的 3D 扫描仪来塑造可打印的 3D 模型。3D 扫描程序评估和保存数字数据,并使其具体化为真实物体
共模电感由于EMC面临的大多数问题都是共模干扰,共模电感器通常被用作有力元件之一。共模电感器是一种带有铁氧体磁芯的共模干扰抑制装置。
共模电感共模电感,也称为共模扼流圈,通常用于过滤计算机开关电源中的共模电池干扰信号。在板卡的设计中,共模电感还起到EMI滤波的作用,用于抑制高速信
差模电感差模电感是闭合回路的一个属性,即当通过闭合回路的电流变化时,电动势将出现抵制电流变化的现象。这种电感称为自感,这是闭合回
共模电感磁芯材质共模电感作为一款使用频率非常高的一种电感产品,在各类电子产品中具有非常重要的作用。大家对于共模电感的讨论一直以来也比较多,比如被讨论的
共模电感的工作原理流过共模电流时磁环中的磁通相互叠加,从而具有相当大的电感量,对共模电流起到抑制作用;而当两线圈流过差模电流时,磁环中的磁
共模电感在制作时应满足什么要求1、绕制在线圈磁心上的导线要互相绝缘,以保证在瞬时过电压作用下线圈的匝间不发生击穿短路;2、当线圈流过瞬时大电流时,磁心不要出现饱和;3、
SGM5347-8数模转换器和输出放大器SGM5347-8具有8通道8位数模转换器(DAC)和输出放大器。输出放大器提供高电流驱动能力数字数据通过串行链路总线输入三条控制线可以使用级联连接除了
SGM2260低电压低导通电阻模拟开关SGM2260是一种双SPDT(单刀双掷)、TTL/CMOS兼容模拟开关工作电压为1.8V至4.3V,可通过USB低速和全速信号具有低导通电阻、低电压和快速切换时间的特点。高
- 精密薄膜贴片电阻精密贴片薄膜电阻,高可靠性,高稳定性,符合AEC-Q200认证最好温飘±5ppm/°C,最高精度±0.01%,低噪声,耐潮湿
详情介绍:该系列是精密贴片薄膜电阻,高可靠性,具有极好的长期稳定性和温飘特性。本产品采用了增强的保护涂层,耐湿能力强,进行的双85测试100
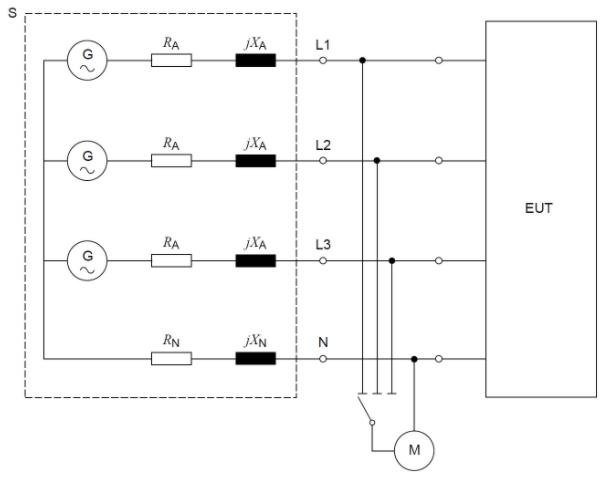
用于公共供电网络阻抗模拟的低电感功率电阻器对于闪烁测量(= 电压波动测量),根据标准 IEC 61000-3-3 和 IEC 61000-3-11 需要阻抗。图 1 显示了典型的闪烁测量测试设置。被测设备 (EUT) 连接到具有阻抗Z
- 天二、天二天二配天四:揭秘高效协作模式的底层逻辑
引言:从数字组合看团队协同新范式在现代组织管理与项目协作中,‘天二、天二天二配天四’这一看似神秘的术语逐渐成为高效团队运作的代名词。它
高精密电阻器 模压封装金属膜高精密电阻器 - EE 系列模压封装金属膜高精密电阻器 - EE 系列EE 系列属于基本型的超精密电阻,模压封装,25°C ~ 85°C,测试条件下温度系数最高可到 ±2 PPM/°C,最低阻值覆盖至
